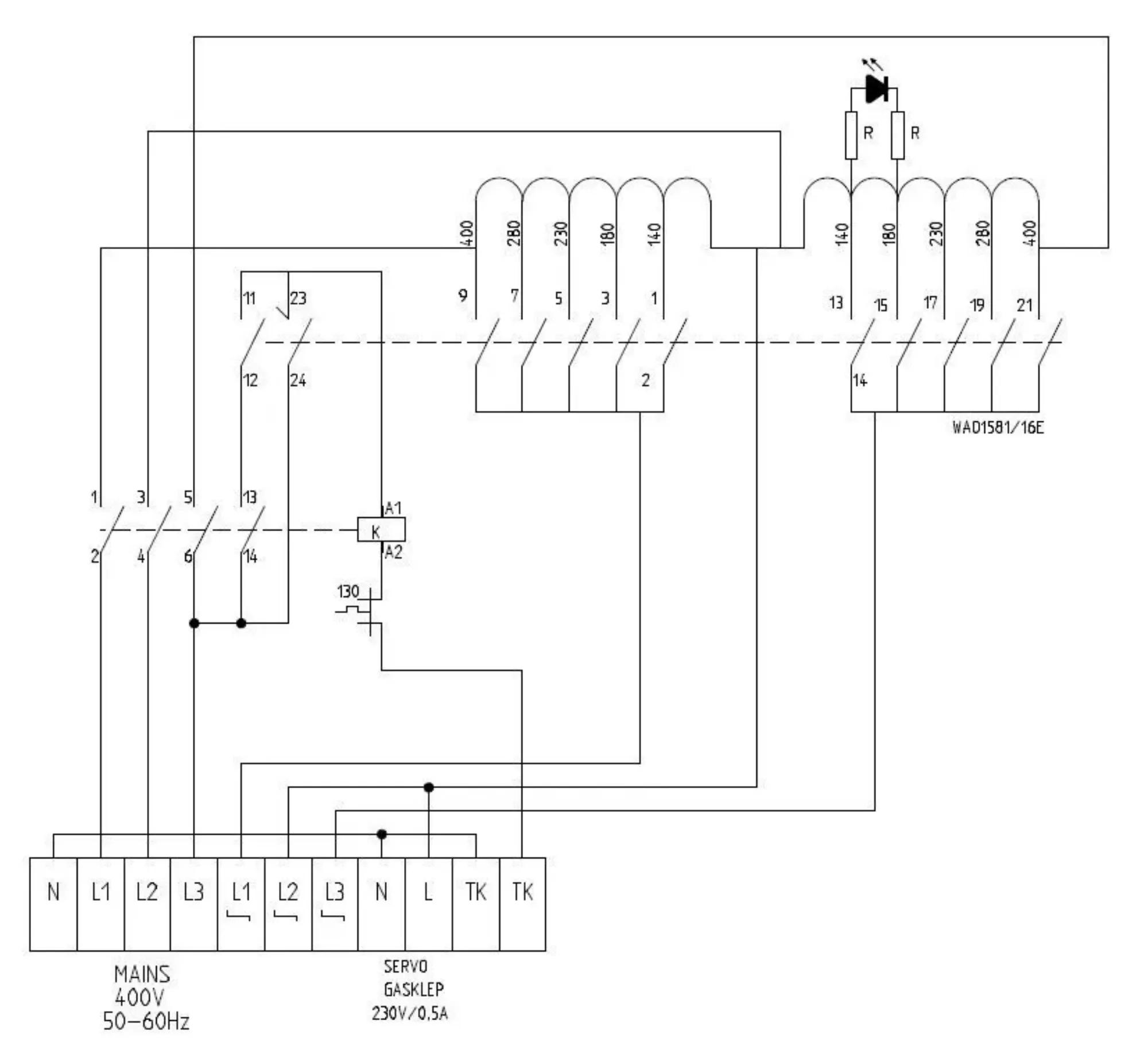
Recommended for speed control through voltage reduction
Plastic Build Material
3 Phase Connection
230V Voltage
TM3 Type
Designed specifically for use with fans
Assembled in impact-resistant plastic or metal casings
Suitable for transformer type speed controllers